DEHNcharge

Csatlakozáskész kombinált levezető 1. típus+2. típus DC akkumulátoros nagytárolóhoz
• Bevált hibatűrő Y-kapcsolás
• Burkolat design helyoptimalizáltan tervezve max. 1500 V DC-ig csak 4 modul széles burkolatban
• Alkalmazás-optimalizált védelmi szint ≤ 3kV
• Alkalmazható max. 100kA várható rövidzárlati áramig
• Működés-, hibajelzés zöld-piros jelöléssel a betekintő ablakban

1 Termék

Cikkszám 900095 DCG T1 BATT 1500 FM

GTIN 4013364510838, Vámtarifa szám (EU): 85354000, Bruttó súly: 587.00 g, PU: 1.00 db.


Képek

További információ

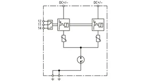
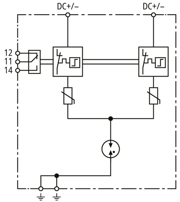
Kombinált levezető DEHNcharge T1 BATT 1500 FM
Többpólusú kombinált levezető 1. típus + 2. típus
akkumulátoros tárolórendszerek számára 1500 V DC-ig, szélesség 4 modul
1. típusú + 2. típusú levezető az EN 61643-11 szerint
Kombinált leválasztó és rövidrezáró eszköz
távjelző érintkezővel
Hibajelzés
Legnagyobb PV feszültség: <= 1500 V DC
Teljes levezetési áramimpulzus: 5 kA
Védelmi feszültségszint: <= 3 kV
Zárlati szilárdság Iscpv: 100 kA

Gyártó: DEHN
Típus: DCG T1 BATT 1500 FM
Cikksz.: 900095
vagy egyenértékű.

Tanúsítványok

 

Műszaki adatok

SPD az IEC 61643-11 szerint 1. típus + 2. típus / I. osztály + II. osztály
Legnagyobb folyamatos üzemi feszültség DC [DC+/DC-] (UC ) ≤ 1500 V
Legnagyobb folyamatos üzemi feszültség DC [(DC+/DC-) --> PE] (UC ) ≤ 750 V
Zárlati szilárdság (t ≤ 5,83 ms) (ISCCR ) 100 kAeff
Teljes levezetési áram (10/350 µs) [DC+/DC- -> PE] (Itotal ) 10 kA
Levezetési áramimpulzus (10/350 µs) [DC+ -> PE/DC- -> PE] (Iimp ) 5 kA
Védelmi szint [(DC+/DC-) -> PE] (UP ) < 3 kV
Védelmi szint [DC+ -> DC-] (UP ) < 6 kV
Jelzőérintkező / Érintkezőtípus váltó

A 900095 termék hozzá lett adva a jegyzettömbhöz.

A 900095 terméket hozzáadtuk a kosárhoz.

Webshop indítása

back to top