DEHNguard modular YPV ... FM

  • Csatlakozáskész kompakt egység fotovoltaikus rendszerek számára mely alapmodulból és dugaszolható védőmodulokból áll
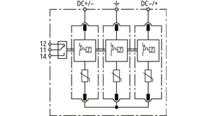
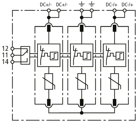
  • A három nagy teljesítményű varisztorral rendelkező hibatűrő Y-kapcsolás megakadályozza a túlfeszültség-védelem károsodását a generátor áramkörének szigetelési hibái esetén.
  • Ellenőrizve az EN 61643-31 szerint
  • Nagy felügyeleti biztonság a „Thermo Dynamic Control” leválasztó egységnek köszönhetően
  • Hibajelzés piros jelöléssel a betekintő ablakban
  • Felhasználás az IEC 60364-7-712 szabvány szerint “Napelemes ellátórendszerek kivitelezése”

DEHNguard MP YPV ... FM

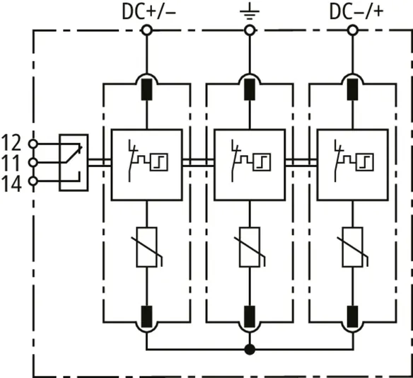
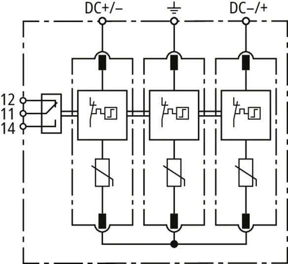
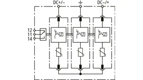
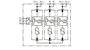
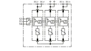
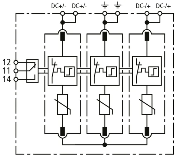
Moduláris többpólusú túlfeszültség-védelmi készülék napelemes rendszerekhez; távjelző érintkezővel felügyeleti rendszer számára (potenciálfüggetlen váltóérintkező).

2 Termékek

Cikkszám 942565 DG MP YPV 1200 FM

GTIN 4013364495685, Vámtarifa szám (EU): 85354000, Bruttó súly: 355.99 g, PU: 1.00 db.


Képek

További információ

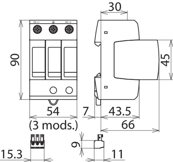
Túlfeszültség-korlátozó DEHNguard MP YPV 1200 FM
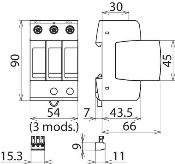
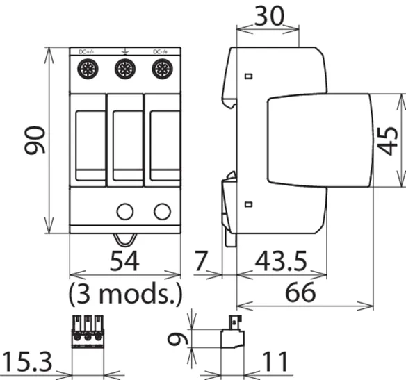
Többpólusú, moduláris, dugaszolható fotovoltaik-levezető
dupla push-in csatlakozókapoccsal
elágazásos és átmenő huzalozáshoz alkalmas
1170 V DC-ig, szélesség 3 modul
Hibajelzés
Távjelző érintkezővel
2. típusú az EN 61643-31 szerint
Felhasználás az IEC 60364-7-712 szabvány szerint
Legnagyobb PV feszültség: <= 1170 V DC
Teljes levezetési áramimpulzus: 40 kA
Védelmi feszültségszint: <= 4 kV
Zárlati szilárdság Iscpv: 10 kA

Gyártó: DEHN
Típus: DG MP YPV 1200 FM
Cikksz.: 942565
vagy egyenértékű.

Tanúsítványok

 

Műszaki adatok

SPD az EN 61643-31 / ... szerint IEC 61643-31 2. típus / Class II
Legnagyobb PV feszültség (UCPV ) 1170 V
Zárlati szilárdság (ISCPV ) 10 kA
Névleges levezetési áram (8/20 µs) [(DC+/DC-) --> PE] (In ) 20 kA
Legnagyobb levezetési áram (8/20 µs) [(DC+/DC-) --> PE] (Imax ) 40 kA
Védelmi feszültségszint (UP ) ≤ 4 kV
Jelzőérintkező / Érintkezőtípus váltóérintkező

A 942565 termék hozzá lett adva a jegyzettömbhöz.

A 942565 terméket hozzáadtuk a kosárhoz.

Webshop indítása

Cikkszám 942567 DG MP YPV 1500 FM

GTIN 4013364495678, Vámtarifa szám (EU): 85354000, Bruttó súly: 387.05 g, PU: 1.00 db.


Képek

További információ

Túlfeszültség-korlátozó DEHNguard MP YPV 1500 FM
Többpólusú, moduláris, dugaszolható fotovoltaik-levezető
dupla push-in csatlakozókapoccsal
elágazásos és átmenő huzalozáshoz alkalmas
1500 V DC-ig, szélesség 3 modul
Hibajelzés
Távjelző érintkezővel
2. típus az EN 61643-31 szerint
Felhasználás az IEC 60364-7-712 szabvány szerint
Legnagyobb PV feszültség: <= 1500 V DC
Teljes levezetési áramimpulzus: 40 kA
Védelmi feszültségszint: <= 5 kV
Zárlati szilárdság Iscpv: 10 kA

Gyártó: DEHN
Típus: DG MP YPV 1500 FM
Cikksz.: 942567
vagy egyenértékű.

Tanúsítványok

 

Műszaki adatok

SPD az EN 61643-31 / ... szerint IEC 61643-31 2. típus / Class II
Legnagyobb PV feszültség (UCPV ) 1500 V
Zárlati szilárdság (ISCPV ) 10 kA
Névleges levezetési áram (8/20 µs) [(DC+/DC-) --> PE] (In ) 15 kA
Legnagyobb levezetési áram (8/20 µs) [(DC+/DC-) --> PE] (Imax ) 40 kA
Védelmi feszültségszint (UP ) ≤ 5 kV
Jelzőérintkező / Érintkezőtípus váltóérintkező

A 942567 termék hozzá lett adva a jegyzettömbhöz.

A 942567 terméket hozzáadtuk a kosárhoz.

Webshop indítása

DEHNguard M YPV ... FM

Moduláris többpólusú túlfeszültség-védelmi készülék napelemes rendszerekhez távjelző érintkezővel felügyeleti rendszer számára (potenciálfüggetlen váltóérintkező).

2 Termékek

Cikkszám 952565 DG M YPV 1200 FM

GTIN 4013364327719, Vámtarifa szám (EU): 85354000, Bruttó súly: 382.00 g, PU: 1.00 db.


Képek

További információ

Túlfeszültség-korlátozó DEHNguard M YPV 1200 FM
Többpólusú, moduláris, dugaszolható fotovoltaik-levezető
1170 V DC-ig, szélesség 3 modul
Hibajelzés
2. Típus az EN 61643-31
Felhasználás az IEC 60364-7-712 szabvány szerint
Legnagyobb PV feszültség: <= 1170 V DC
Teljes levezetési áramimpulzus: 40 kA
Védelmi feszültségszint: <= 4 kV
Zárlati szilárdság Iscpv: 10 kA

Gyártó: DEHN
Típus: DG M YPV 1200 FM
Cikksz.: 952565
vagy egyenértékű.

Tanúsítványok

 

Műszaki adatok

SPD az EN 61643-31 / ... szerint IEC 61643-31 2. típus / Class II
Legnagyobb PV feszültség (UCPV ) 1170 V
Zárlati szilárdság (ISCPV ) 10 kA
Névleges levezetési áram (8/20 µs) [(DC+/DC-) --> PE] (In ) 20 kA
Legnagyobb levezetési áram (8/20 µs) [(DC+/DC-) --> PE] (Imax ) 40 kA
Védelmi feszültségszint (UP ) ≤ 4 kV
Tanúsítványok UL, KEMA
Jelzőérintkező / Érintkezőtípus váltóérintkező

A 952565 termék hozzá lett adva a jegyzettömbhöz.

A 952565 terméket hozzáadtuk a kosárhoz.

Webshop indítása

Cikkszám 952567 DG M YPV 1500 FM

GTIN 4013364327726, Vámtarifa szám (EU): 85354000, Bruttó súly: 411.20 g, PU: 1.00 db.


Képek

További információ

Túlfeszültség-korlátozó DEHNguard M YPV 1500 FM
Többpólusú, moduláris, dugaszolható fotovoltaik-levezető
1500 V DC-ig, szélesség 3 modul
Hibajelzés
Távjelző érintkezővel
2. típus az EN 61643-31
Felhasználás az IEC 60364-7-712 szabvány szerint
Legnagyobb PV feszültség: <= 1500 V DC
Teljes levezetési áramimpulzus: 40 kA
Védelmi feszültségszint: <= 5 kV
Zárlati szilárdság Iscpv: 10 kA

Gyártó: DEHN
Típus: DG M YPV 1500 FM
Cikksz.: 952567
vagy egyenértékű.

Tanúsítványok

 

Műszaki adatok

SPD az EN 61643-31 / ... szerint IEC 61643-31 2. típus / Class II
Legnagyobb PV feszültség (UCPV ) 1500 V
Zárlati szilárdság (ISCPV ) 10 kA
Névleges levezetési áram (8/20 µs) [(DC+/DC-) --> PE] (In ) 15 kA
Legnagyobb levezetési áram (8/20 µs) [(DC+/DC-) --> PE] (Imax ) 40 kA
Védelmi feszültségszint (UP ) ≤ 5 kV
Tanúsítványok UL, KEMA
Jelzőérintkező / Érintkezőtípus váltóérintkező

A 952567 termék hozzá lett adva a jegyzettömbhöz.

A 952567 terméket hozzáadtuk a kosárhoz.

Webshop indítása

back to top