Huzalozási tartozék STAK

Lehetővé teszi az EMC-optimális átmenő vezetékezés létrehozását a DIN VDE 0100-534 szerint

Details

Villámáram- és túlfeszültség-korlátozók EMC-optimális átmenő vezetékezésének létrehozása a DIN VDE 0100-534 szerint STAK 2X16 segítségével.
lorem ipsum

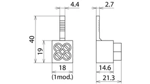
Push-in rugós kapocs STAK 4X10

1 Termék

Cikkszám 952588 STAK 4X10

GTIN 4013364526624, Vámtarifa szám (EU): 85369010, Bruttó súly: 35.67 g, PU: 2.00 db.


Képek

További információ

Push-in kapocs STAK 4X10
Csatlakozási keresztmetszet: 4 x 10 mm²

Gyártó: DEHN
Típus: STAK 4X10
Cikksz.: 952588
vagy egyenértékű.

Tanúsítványok

 

Műszaki adatok

Legnagyobb tartós üzemi feszültség AC (UC ) 275 V
Legnagyobb PV feszültség (UCPV ) 1500 V
Villám-lökőáram (10/350 µs) (Iimp ) 6,25 kA
Névleges levezetési lökőáram (8/20 µs) (In ) 20 kA
Maximális levezetési áram (8/20 µs) (Imax ) 40 kA
Csatlakozási keresztmetszet (min.) 1,5 mm2 tömör / 6 mm2 finomsodrat
Csatlakozási keresztmetszet (max.) 10 mm2 tömör / finomsodrat
Csatlakozási keresztmetszet (min) érvéghüvellyel 1,5 mm²
Csatlakozási keresztmetszet (max.) érvéghüvellyel 6 mm²
Csatlakozási keresztmetszet (max.) érvéghüvellyel gallér nélkül 10 mm²

A 952588 termék hozzá lett adva a jegyzettömbhöz.

A 952588 terméket hozzáadtuk a kosárhoz.

Webshop indítása

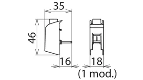
Tűs csatlakozókapocs STAK 25

Tűs csatlakozókapocs villámáram- és túlfeszültség-korlátozók EMC-optimális átmenő vezetékezésének létrehozása a DIN VDE 0100-534 szerint.

1 Termék

Cikkszám 952589 STAK 25

GTIN 4013364132306, Vámtarifa szám (EU): 85369010, Bruttó súly: 17.40 g, PU: 4.00 db.


Képek

További információ

Tűs csatlakozókapocs STAK 25
Tűs csatlakozókapocs V-huzalozáshoz
túlfeszültségvédelmi eszközökön 25 mm²-ig

Gyártó: DEHN
Típus: STAK 25
Cikksz.: 952589
vagy egyenértékű.

Tanúsítványok

 

Műszaki adatok

Névleges feszültség AC / DC (UN ) 600 V
Legnagyobb PV feszültség (UCPV) alkalmazásban DEHNguard M YPV ... 1200 V
Névleges terhelőáram AC (IL ) 100 A
Villám-lökőáram (10/350 µs) (Iimp ) 25 kA
Levezetési áram (8/20 µs) 50 kA
Csatlakozási keresztmetszet (min.) 1,5 mm2 tömör / finomsodrat
Csatlakozási keresztmetszet (max.) 25 mm2 több / 16 mm2 finomsodrat
Csatlakozás módja elöl

A 952589 termék hozzá lett adva a jegyzettömbhöz.

A 952589 terméket hozzáadtuk a kosárhoz.

Webshop indítása

Tűs csatlakozókapocs STAK 3X16

Tűs csatlakozókapocs villámáram- és túlfeszültség-korlátozók EMC-optimális átmenő vezetékezésének létrehozása a DIN VDE 0100-534 szerint.

1 Termék

Cikkszám 900588 STAK 3X16

GTIN 4013364323933, Vámtarifa szám (EU): 85369010, Bruttó súly: 40.00 g, PU: 4.00 db.


Képek

További információ

Tűs csatlakozókapocs STAK 3X16
Kapcsos kivitel V-huzalozáshoz
Csatlakozási keresztmetszet: 3 x 16 mm2

Gyártó: DEHN
Típus: STAK 3X16
Cikksz.: 900588
vagy egyenértékű.

Tanúsítványok

 

Műszaki adatok

Névleges feszültség AC / DC (UN ) 690 V / 1500 V
Névleges terhelőáram AC (IL ) 160 A
Névleges terhelőáram V kapcsolásnál 80 A
Villám-lökőáram (10/350 µs) (Iimp ) 25 kA
Csatlakozási keresztmetszet (min.) 1,5 mm2 tömör / finomsodrat
Csatlakozási keresztmetszet (max.) 16 mm2 több / 10 mm2 finomsodrat
Csatlakozás módja elöl

A 900588 termék hozzá lett adva a jegyzettömbhöz.

A 900588 terméket hozzáadtuk a kosárhoz.

Webshop indítása

Tűs csatlakozókapocs STAK 2X16

Tűs csatlakozókapocs villámáram- és túlfeszültség-korlátozók EMC-optimális átmenő vezetékezésének létrehozása a DIN VDE 0100-534 szerint.

1 Termék

Cikkszám 900589 STAK 2X16

GTIN 4013364109339, Vámtarifa szám (EU): 85369010, Bruttó súly: 20.00 g, PU: 1.00 db.


Képek

További információ

Tűs csatlakozókapocs STAK 2X16
Kettős kapocs kivitelezés az
EMC-optimális átmenő huzalozáshoz
Csatlakozási keresztmetszet: 2 x 10 mm2 vagy 2 x 16 mm2

Gyártó: DEHN
Típus: STAK 2X16
Cikksz.: 900589
vagy egyenértékű.

 

Műszaki adatok

Villám-lökőáram (10/350 µs) (Iimp ) 25 kA
Csatlakozási keresztmetszet (min.) 2x 10 mm2
Csatlakozási keresztmetszet (max.) 2x 16 mm2
Csatlakozás módja elöl (kettős kapocs)

A 900589 termék hozzá lett adva a jegyzettömbhöz.

A 900589 terméket hozzáadtuk a kosárhoz.

Webshop indítása

back to top